Lead wire
Lead wire
Product Image
2D Line Drawing
Product Image
2D Line Drawing
18W | 300-700mA

CH-18-XXX IP65 LB

Product Description:

· Class II,SELV,Built-in 

· Input Voltage 100-240VAC

· Protections: SCP/OLP/OVP

· Power Factor 0.95

· Efficiency ≥86%

· IP65 Ingress protection 

· 5 years warranty


Click to Expand
Models
Datasheet
Technical SpecificationsCH-18-XXX IP65 LB is an 18W constant current LED driver that operates from 90-264Vac input with 300 to 700mA output current. This compact driver, measuring only Φ55 x 26mm, is easily integrated into outdoor wall lights and lawn lig
ModelsPowerInput VoltageOutput CurrentOutput VoltageEfficiencyPower FactorSize
CH-18-300 IP65 LB18W100-240VAC300mA36-60VDC≥86%0.95Φ55*26mm
CH-18-350 IP65 LB18W100-240VAC350mA31-52VDC≥86%0.95Φ55*26mm
CH-18-450 IP65 LB18W100-240VAC450mA24-40VDC≥86%0.95Φ55*26mm
CH-18-700 IP65 LB18W100-240VAC700mA15.5-26VDC≥87%0.95Φ55*26mm


CH-18-XXX IP65 LB is an 18W constant current LED driver that operates from 90-264Vac input with 300 to 700mA output current. This compact driver, measuring only Φ55 x 26mm, is easily integrated into outdoor wall lights and lawn lights. To ensure trouble-free operation, protection is providedagainstoutput short circuit and over load.  

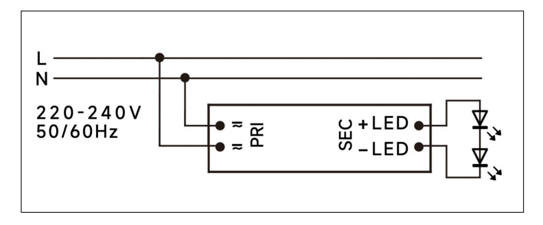
Wiring diagram
Curve for CH-18-350 IP65 LB,Io=350mA
Related Products
25W | 350-700mA
CH-25-XXX IP65 LB1
12W | 300-700mA
CH-12-XXX IP65 LB1
NFC APP
Click the link below to download Eaglerise NFC APP.
APP Download
WeChat

We Value Your Privacy

We use cookies on this site, including third party cookies, in order for the site to work properly and to analyse traffic, offer enhanced functionality, social media features, and personalise content and ads.